• 正文
  • 相关推荐
申请入驻 产业图谱

芯森电子CM4A霍尔闭环电流传感器在机车牵引系统中的应用实例解析

09/04 16:56
226
加入交流群
扫码加入
获取工程师必备礼包
参与热点资讯讨论

在现代铁路交通中,不论是时速达350公里/时的“复兴号”高铁,还是时速250公里/时的“和谐号”动车,主要是靠电力来驱动。机车牵引系统是保障列车高效、安全运行的核心动力系统。在复杂的机车牵引系统中,需要实时监测牵引电机电流,为控制系统提供精确的反馈信号,确保牵引力的稳定输出、过流保护和能效优化等,保障系统的稳定运行。本文将结合几种常见的电流检测方案,并解析其在机车牵引系统中的典型应用实例。

高铁和动车动力简介

绝大多数的高铁和动车,如和谐号、复兴号,都依赖外部电力系统为其提供动力来源:车顶的“受电弓”与接触网导线持续接触,将高压电引入列车,经牵引变压器变流器等设备转换为驱动电机的三相交流电,最终通过牵引电机驱动车轮。

注:部分动车可能采用电力和内燃机混合驱动,以便适应复杂线路。

机车牵引系统中的电流检测需求

机车牵引系统通常由变流器、逆变器和牵引电机组成。牵引电流具有以下特征:

幅值大:牵引电机在加速和爬坡时电流可达数百安培甚至上千安培。

变化快:在再生制动、牵引/制动切换过程中,电流方向和大小都可能瞬间变化。

安全性要求高:任何电流检测误差都可能导致控制算法失效,影响运行稳定性和安全性。

因此,应用在机车牵引系统中的电流传感器,一般需要具备高精度、宽测量范围和快速响应特性,同时满足电气绝缘和耐环境性的要求。

机车牵引系统常见电流检测方案

机车牵引系统的电流有分流器、罗氏线圈、光纤电流传感器、磁通门、霍尔闭环电流传感器等不同检测方案。它们在性能、适用场景和成本方面各有特点:

检测方案 原理 优点 缺点 典型应用场景
分流器+隔离放大器 测量电阻压降 成本低,结构简单,高频响应好 功率损耗大,绝缘性差 低压辅助电路、控制单元
罗氏线圈 电磁感应(交流/暂态) 带宽高,无饱和,柔性安装 不能测直流,需要积分电路 谐波监测、短路暂态分析
光纤电流传感器 法拉第磁光效应 绝缘性极佳,抗干扰 成本高,维护复杂 高压直流供电、变电所
磁通门传感器 铁芯磁饱和检测 精度高,漂移小,直流测量好 成本高,带宽低 轨道牵引大电流、电池系统
霍尔闭环 霍尔效应+反馈补偿 可测直流/交流/脉冲,高速响应,精度高,绝缘安全 成本中等,对安装有要求 牵引变流器电流检测、保护控制

在实际机车牵引系统中,往往不是单一方案,而是根据不同应用场景、环节的功能需求组合使用:

精度与直流测量需求高→ 选霍尔闭环/磁通门

谐波与暂态分析→ 选罗氏线圈

绝缘等级最高→ 选光纤传感器

低成本与简单应用→ 选分流器

霍尔闭环电流传感器在机车牵引系统中的应用实例

从应用图可以看到,CM4A被安装在牵引变流器的直流母排或交流输出端,原边母排完全充满传感器的过孔,传感器的输出线束连接到控制系统,为系统提供实时的电流反馈信号。其典型作用包括:

牵引逆变器中的电流反馈:CM4A传感器实时监测牵引电机的相电流,为逆变器的控制单元提供精确的电流反馈,实时调整PWM调制,实现电机的精准控制。通过闭环控制,可以优化牵引力输出、实现过流保护和故障诊断。

再生制动系统中的能量回馈:在再生制动模式下,CM4A传感器精确测量回馈电流,确保能量回收的效率和稳定性,防止回馈电流过大导致电网或储能装置过载。

保护功能当牵引电流异常过大(如短路或失控情况),传感器信号可触发保护机制,避免功率器件损坏。

状态监测与故障诊断通过对电流波形的实时采集,可辅助故障录波与健康监测系统,实现预测性维护。

辅助系统的电流监测:CM4A还可用于机车的辅助系统,如辅助逆变器和电池管理系统,为空调、照明等设备提供稳定的电力监测。

霍尔闭环电流传感器CM4A 1000 H05简介

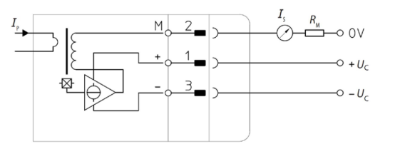
CM4A系列电流传感器是芯森电子自主研发的采用霍尔闭环(补偿)原理,通过霍尔元件检测原边电流产生的磁场,并通过副边线圈产生补偿电流,实现原边与副边的电气隔离

核心技术参数

参数类别 关键指标 机车牵引应用价值
额定电流范围 ±1000 A(可扩展至±2100 A) 覆盖机车牵引电机的大电流测量需求
精度 ±0.3% @ IpN 确保牵引力控制的精确性
线性度 ±0.1% @ 0~IpN 提高电流反馈的一致性
响应时间 0.5~1 μs @ 90% IpN 支持牵引逆变器的高动态控制
绝缘耐压 3.8 kV AC(50 Hz,1 min) 满足机车高压系统的安全标准
瞬态耐压 16 kV(1.2/50 μs) 抗雷击和瞬态过电压能力
工作温度范围 -40~85°C 适应机车运行的极端温度环境
带宽 150 kHz 适应PWM逆变器的高频电流变化

典型应用连接图

总结

在机车牵引系统中,霍尔闭环电流传感器通过高精度、快速响应和良好的绝缘特性,为牵引电机控制与系统保护提供了可靠的电流检测手段。虽然它并非万能解决方案,但在高压、大电流的铁路牵引场景下,确实是一种成熟且值得信赖的技术路径。

芯森电子

芯森电子

芯森电子(CHIPSENSE)是一家专注于高端电流电压传感器研发、生产和应用,以及传感器芯片、传 感器前沿技术正向研究的国家高新技术企业。公司是MEMS磁工作组专家单位、中国传感器与物联网产 业联盟理事单位。公司与天津大学、北京科技大学天津学院、天津师范大学电子与通信工程学院,建立了 产、学、研合作基地,与华北电力大学联合成立了智能传感技术创新应用研究所。公司始终坚持“客户至 上,品质卓越,创新思变,诚信合作”的价值理念,以“持续为客户提供更优的传感器,成为一流智能传感 方案服务商”为使命,为客户提供性价比更高的产品和服务。

芯森电子(CHIPSENSE)是一家专注于高端电流电压传感器研发、生产和应用,以及传感器芯片、传 感器前沿技术正向研究的国家高新技术企业。公司是MEMS磁工作组专家单位、中国传感器与物联网产 业联盟理事单位。公司与天津大学、北京科技大学天津学院、天津师范大学电子与通信工程学院,建立了 产、学、研合作基地,与华北电力大学联合成立了智能传感技术创新应用研究所。公司始终坚持“客户至 上,品质卓越,创新思变,诚信合作”的价值理念,以“持续为客户提供更优的传感器,成为一流智能传感 方案服务商”为使命,为客户提供性价比更高的产品和服务。收起

查看更多

相关推荐

登录即可解锁
  • 海量技术文章
  • 设计资源下载
  • 产业链客户资源
  • 写文章/发需求
立即登录

芯森电子(CHIPSENSE)是一家专注于高端电流电压传感器研发、生产和应用,以及传感器芯片、传 感器前沿技术正向研究的国家高新技术企业。公司是MEMS磁工作组专家单位、中国传感器与物联网产 业联盟理事单位。公司与天津大学、北京科技大学天津学院、天津师范大学电子与通信工程学院,建立了 产、学、研合作基地,与华北电力大学联合成立了智能传感技术创新应用研究所。公司始终坚持“客户至 上,品质卓越,创新思变,诚信合作”的价值理念,以“持续为客户提供更优的传感器,成为一流智能传感 方案服务商”为使命,为客户提供性价比更高的产品和服务。

微信公众号