• 方案介绍
  • 相关推荐
申请入驻 产业图谱

单片机串口AT指令操作SIM800、900拨打电话

07/20 11:17
1457
加入交流群
扫码加入
获取工程师必备礼包
参与热点资讯讨论

一、前言

1.1 功能简介

随着物联网技术的快速发展,无线通信模块成为了连接物理世界与数字世界的桥梁。在众多无线通信解决方案中,SIM系列模块以其紧凑的设计、良好的网络兼容性以及丰富的功能特性而受到广泛欢迎。SIM系列模块不仅支持基础的GSM服务如语音通话和短信收发,还能够通过GPRS进行数据传输,非常适合应用于各种智能设备远程监控系统中。

对于开发者而言,如何有效地利用SIM系列模块实现特定功能成为了一个重要技术点。其中,使用串行通信接口(即串口)发送AT指令来控制模块是实现这一目标的关键手段之一。AT指令集提供了一套标准化的方法,让工程师可以通过简单的文本命令与模块交互,从而执行复杂任务。本文将以SIM800C为例,详细介绍如何通过串口AT指令对SIM800C进行调试,实现打电话和接听电话这两个常见应用场景。通过对相关AT指令的学习及实践操作,将能够掌握如何设置并测试SIM800C的基本通话功能。

image-20240924141930621

1.2 拨打电话功能的应用场景

这里以SIM800C模块为例进行介绍。

在物联网(IoT)应用中,SIM800C模块的拨打电话功能可以实现多种实用的功能,尤其是在需要远程控制、监控或紧急响应的情况下。

以下是几个具体的应用场景:

(1)远程控制:通过拨打预设的电话号码,用户可以从远处激活或控制设备。例如,在智能家居系统中,可以通过电话呼叫来打开或关闭家中的灯光、调整空调温度或是启动安防系统。

(2)安全报警:当监测到异常情况时,如入侵警报、火灾预警等,SIM800C可以自动拨打预先设置好的紧急联系人或服务中心电话,及时通报情况并请求帮助。这种方式能够迅速传达警情,提高响应速度。

(3)状态查询:某些情况下,用户可能希望直接与远端设备进行互动以获取实时信息。比如农业环境监测站,农民可以通过拨打特定号码来接收土壤湿度、气温等数据报告。

(4)语音提示:结合语音合成技术,SIM800C还可以用来发送语音消息给用户。这在一些公共服务领域特别有用,例如公共交通车辆到达提醒、天气预报更新等。

(5)医疗辅助:对于老年人护理或者慢性病患者管理来说,SIM800C可以被集成进穿戴式健康监测器内。一旦检测到生命体征异常,设备会自动拨打医生或家属的电话,确保病人能够得到及时救助。

(6)工业自动化:在复杂的工业环境中,维护人员可能需要定期检查机器运行状况。利用SIM800C建立一个简易的语音通信通道后,工作人员就可以随时随地拨入系统听取设备状态汇报了。

(7)物流跟踪:货物运输途中,通过安装带有SIM800C模块的追踪装置,物流公司能够更加方便地与司机保持联系,甚至可以在必要时主动发起通话询问具体情况。

借助SIM800C的拨打电话功能,开发者能够在多种IoT应用场景下构建出高效且可靠的通讯解决方案。

1.3 SIM900A与SIM800C模块介绍

SIM900A和SIM800C都是由SIMCom公司设计生产的GSM/GPRS通信模块,它们广泛应用于各种物联网(IoT)设备中,提供语音通话、短信服务以及数据传输功能。这些模块基于成熟可靠的GSM技术,适用于全球范围内的多种应用场合。

SIM900A,它是一款四频GSM/GPRS模块,支持850MHz、900MHz、1800MHz和1900MHz频率,这意味着它可以适应世界上几乎所有地区的GSM网络。SIM900A拥有紧凑的设计,尺寸为24 x 24 x 3 mm,非常适合集成到空间有限的项目中。该模块通过标准AT指令集进行控制,允许开发者轻松实现电话拨打、短信收发及GPRS连接等功能。此外,SIM900A还具备低功耗模式,在不活跃时可以节省电池寿命,这对于依赖电池供电的远程监控系统尤其重要。

SIM800C,这是SIMCom推出的另一款高性能GSM/GPRS模块,同样支持四频GSM网络,并且在某些方面对SIM900A进行了改进或扩展。例如,SIM800C不仅保持了小巧的体积,还在性能上有所提升,特别是在处理速度和稳定性方面。与SIM900A一样,SIM800C也遵循标准AT命令集,使得迁移现有应用程序变得相对容易。值得注意的是,SIM800C增加了对更多高级功能的支持,如增强型音频接口,这使其成为需要高质量语音通信的应用的理想选择。此外,SIM800C还优化了电源管理机制,进一步降低了待机状态下的能耗。

除了上述特性外,无论是SIM900A还是SIM800C,都提供了丰富的外部接口选项,包括UART串口、GPIO引脚ADC输入等,方便用户根据实际需求定制开发。同时,两者均兼容广泛的SIM卡类型,从普通SIM卡到更先进的USIM卡均可使用。这些特点使得SIM900A和SIM800C能够满足不同层次的应用需求,从简单的信息传递到复杂的物联网解决方案。

SIM900A和SIM800C作为SIMCom旗下广受欢迎的GSM/GPRS模块系列成员,各自以其独特的优势服务于不同的市场细分领域。无论是在智能家居、工业自动化、移动支付终端还是车辆追踪系统等领域,这些模块都能够提供稳定可靠的无线通信能力,助力于构建更加智能互联的世界。随着技术不断进步,未来我们还可以期待看到更多具有创新特性的新型号推出,以更好地应对日益增长的市场需求。

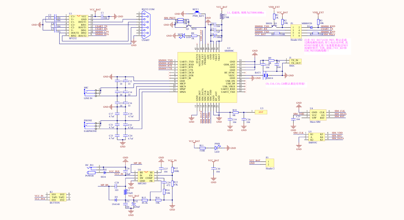
1.4 原理图

image-20240924132944926

三、模块调试

3.1 工具软件下载

项目设计里用到的工具软件,STM32的源码工程,都可以在这里下载。
https://pan.quark.cn/s/145a9b3f7f53

3.2 准备好模块

(1)ATK-SIM800C GSM/GPRS 模块一个

(2)直流稳压电源1个(推荐12V 1A电源)

(3)中国移动/联通GSM SIM卡一张(未停机,开通GPRS业务)

(4)耳机一副(带麦克风功能,用于通话测试)

3.3 串口调试助手的设置

模块接好线,连接上电脑之后,发送AT命令测试模块是否正常(注意 勾选新行)。

说明: 第一次发送AT 过去时,模块会匹配波特率,模块会自适应波特率; 第二次发送AT就会返回OK

AT

OK

image-20240122214002689

3.4 初始化配置

下面是上电初始的设置指令。

【1】测试模块是否正常
发送: AT
模块会返回: OK

【2】 设置TTS来电有铃声
发送: AT+CTTSRING=0
模块会返回: OK

【3】设置TTS声音大小、语调配置
发送: AT+CTTSPARAM=20,0,50,70,0
模块会返回: OK

【4】设置来电显示
发送: AT+CLIP=1
模块会返回: OK

【5】设置被叫号码显示
发送: AT+COLP=1
模块会返回: OK

3.5 拨打电话的测试流程

下面是介绍关于电话相关的指令。

【1】拨打电话
ATD指令用于拨打任意电话号码,格式为:ATD【号码】; 末尾的’;’一定要加上,否则不能
成功拨号,如发送:ATD10086;,即可实现拨打10086。

发送: ATD10086;
模块会返回: +COLP: 表示拨号成功。

如果返回NO CARRIERNO ANSWERERROR都表示错误。

【2】应答电话
ATA指令,用于应答电话,当收到来电的时候,给模块发送:ATA,即可接听来电。
发送: ATA
模块会返回: OK

如果模块收到+CLIP:就表示收到来电,可以发送ATA接听电话。

【3】挂断电话
ATH指令,用于挂断电话,要想结束正在进行的通话,只需给模块发送:ATH,即可挂断。
发送: ATH
模块会返回: OK

四、代码实现

下面是通过STM32完成对SIM800C模块控制完成短信发送、电话拨打等操作。

4.1 底层的命令发送接口

//SIM800C发送命令后,检测接收到的应答
//str:期待的应答结果
//返回值:0,没有得到期待的应答结果
//其他,期待应答结果的位置(str的位置)
u8* sim800c_check_cmd(u8 *str)
{
	char *strx=0;
	if(USART2_RX_STA&0X8000)		//接收到一次数据了
	{ 
		USART2_RX_BUF[USART2_RX_STA&0X7FFF]=0;//添加结束符
		strx=strstr((const char*)USART2_RX_BUF,(const char*)str);
	} 
	return (u8*)strx;
}
//向SIM800C发送命令
//cmd:发送的命令字符串(不需要添加回车了),当cmd<0XFF的时候,发送数字(比如发送0X1A),大于的时候发送字符串.
//ack:期待的应答结果,如果为空,则表示不需要等待应答
//waittime:等待时间(单位:10ms)
//返回值:0,发送成功(得到了期待的应答结果)
//       1,发送失败
u8 sim800c_send_cmd(u8 *cmd,u8 *ack,u16 waittime)
{
	u8 res=0; 
	USART2_RX_STA=0;
	if((u32)cmd<=0XFF)
	{
		while(DMA1_Channel7->CNDTR!=0);	//等待通道7传输完成   
		USART2->DR=(u32)cmd;
	}else u2_printf("%srn",cmd);//发送命令
	

	if(ack&&waittime)	  //需要等待应答
	{
	   while(--waittime)  //等待倒计时
	   {
		  delay_ms(10);
		  if(USART2_RX_STA&0X8000)//接收到期待的应答结果
		  {
			  if(sim800c_check_cmd(ack))break;//得到有效数据 
			  USART2_RX_STA=0;
		  } 
	   }
	   if(waittime==0)res=1; 
	}
	return res;
} 

4.2 底层数据接收接口

//接收SIM800C数据
//request:期待接收命令字符串
//waittimg:等待时间(单位:10ms)
//返回值:0,发送成功(得到了期待的应答结果)
//       1,发送失败
u8 sim800c_wait_request(u8 *request ,u16 waittime)
{
	 u8 res = 1;
	 u8 key; 
	 if(request && waittime)
	 {
		 while(--waittime)
		 {   
		    key=KEY_Scan(0);
		    if(key==WKUP_PRES) return 2;
		    delay_ms(10);
		    if(USART2_RX_STA &0x8000)//接收到期待的应答结果
			{
				if(sim800c_check_cmd(request)) break;//得到有效数据
				USART2_RX_STA=0;
			}
		 }
		 if(waittime==0)res=0;
	 }
	 return res;
}

4.3 检测模块是否存在

while(sim800c_send_cmd("AT","OK",100))//检测是否应答AT指令 
{
    Show_Str(40,55,200,16,"未检测到模块!!!",16,0);
    delay_ms(800);
    LCD_Fill(40,55,200,55+16,WHITE);
    Show_Str(40,55,200,16,"尝试连接模块...",16,0);
    delay_ms(400);  
} 	 

4.4 网络时间同步

//NTP网络同步时间
void ntp_update(void)
{  
	 sim800c_send_cmd("AT+SAPBR=3,1,"Contype","GPRS"","OK",200);//配置承载场景1
	 sim800c_send_cmd("AT+SAPBR=3,1,"APN","CMNET"","OK",200);
	 sim800c_send_cmd("AT+SAPBR=1,1",0,200);                        //激活一个GPRS上下文
     delay_ms(5);
     sim800c_send_cmd("AT+CNTPCID=1","OK",200);                     //设置CNTP使用的CID
	 sim800c_send_cmd("AT+CNTP="202.120.2.101",32","OK",200);     //设置NTP服务器和本地时区(32时区 时间最准确)
     sim800c_send_cmd("AT+CNTP","+CNTP: 1",600);                    //同步网络时间
}

4.5 拨打电话与接听电话

//SIM800C拨号测试
//用于拨打电话和接听电话
//返回值:0,正常
//其他,错误代码
u8 sim800c_call_test(void)
{
	u8 key;
	u16 lenx;
	u8 callbuf[20]; 
	u8 pohnenumlen=0;	//号码长度,最大15个数 
	u8 *p,*p1,*p2;
	u8 oldmode=0;
	u8 cmode=0;	//模式
				//0:等待拨号
				//1:拨号中
	            //2:通话中
				//3:接收到来电 
	LCD_Clear(WHITE);
	if(sim800c_send_cmd("AT+CTTSRING=0","OK",200))return 1;	//设置TTS来电设置 0:来电有铃声 1:没有
	if(sim800c_send_cmd("AT+CTTSPARAM=20,0,50,70,0","OK",200))return 1;	//设置TTS声音大小、语调配置
	if(sim800c_send_cmd("AT+CLIP=1","OK",200))return 1;	//设置来电显示  
	if(sim800c_send_cmd("AT+COLP=1","OK",200))return 2;	//设置被叫号码显示
 	p1=mymalloc(20);								//申请20直接用于存放号码
	if(p1==NULL)return 2;	
	POINT_COLOR=RED;
	Show_Str_Mid(0,30,"SIM800C 拨号测试",16,240);				    	 
	Show_Str(40,70,200,16,"请拨号:",16,0); 
	kbd_fn_tbl[0]="拨号";
	kbd_fn_tbl[1]="返回"; 
	sim800c_load_keyboard(0,180,(u8**)kbd_tbl1);
	POINT_COLOR=BLUE; 
	while(1)
	{
		delay_ms(10);
		if(USART2_RX_STA&0X8000)		//接收到数据
		{
			sim_at_response(0);
			if(cmode==1||cmode==2)
			{
				if(cmode==1)if(sim800c_check_cmd("+COLP:"))cmode=2;	//拨号成功
				if(sim800c_check_cmd("NO CARRIER"))cmode=0;	//拨号失败
				if(sim800c_check_cmd("NO ANSWER"))cmode=0;	//拨号失败
				if(sim800c_check_cmd("ERROR"))cmode=0;		//拨号失败
			}
			if(sim800c_check_cmd("+CLIP:"))//接收到来电
			{
				cmode=3;
				p=sim800c_check_cmd("+CLIP:");
				p+=8;
				p2=(u8*)strstr((const char *)p,""");
				p2[0]=0;//添加结束符 
				strcpy((char*)p1,(char*)p);
			}
			USART2_RX_STA=0;
		}
		key=sim800c_get_keynum(0,180);
		if(key)
		{ 
			if(key<13)
			{
				if(cmode==0&&pohnenumlen<15)
				{ 
					callbuf[pohnenumlen++]=kbd_tbl[key-1][0];
					u2_printf("AT+CLDTMF=2,"%c"rn",kbd_tbl[key-1][0]); 
					delay_ms(55);//延时
				  u2_printf("AT+CTTS=2,"%c"rn",kbd_tbl[key-1][0]); //TTS语音		
				}else if(cmode==2)//通话中
				{ 
					u2_printf("AT+CLDTMF=2,"%c"rn",kbd_tbl[key-1][0]);
					delay_ms(100);
					u2_printf("AT+VTS=%crn",kbd_tbl[key-1][0]); 
					LCD_ShowChar(40+56,90,kbd_tbl[key-1][0],16,0);
				}
			}else
			{
				if(key==13)if(pohnenumlen&&cmode==0)pohnenumlen--;//删除
				if(key==14)//执行拨号
				{
					if(cmode==0)//拨号模式
					{
						callbuf[pohnenumlen]=0;			//最后加入结束符
            printf("ATD:%srn",callbuf);						
						u2_printf("ATD%s;rn",callbuf);//拨号
						sim_at_response(1);
						delay_ms(10);		        	//等待10ms  
						cmode=1;						//拨号中模式
					}else 
					{
						u2_printf("ATrn");//必须加上这句
						delay_ms(10);
						sim800c_send_cmd("ATH","OK",100);//挂机
						sim800c_send_cmd("ATH","OK",100);//挂机
						cmode=0;
					}
				}
				if(key==15)
				{
					if(cmode==3)//接收到来电
					{
						sim800c_send_cmd("ATA","OK",200);//发送应答指令
						Show_Str(40+56,70,200,16,callbuf,16,0);
						cmode=2;
					}else
					{ 
						sim800c_send_cmd("ATH",0,0);//不管有没有在通话,都结束通话
						break;//退出循环
					}
				}
			} 
			if(cmode==0)//只有在等待拨号模式有效
			{
				callbuf[pohnenumlen]=0; 
				LCD_Fill(40+56,70,239,70+16,WHITE);
				Show_Str(40+56,70,200,16,callbuf,16,0);  	
			}				
		}
		if(oldmode!=cmode)//模式变化了
		{
			switch(cmode)
			{
				case 0: 
					kbd_fn_tbl[0]="拨号";
					kbd_fn_tbl[1]="返回"; 
					POINT_COLOR=RED;
					Show_Str(40,70,200,16,"请拨号:",16,0);  
					LCD_Fill(40+56,70,239,70+16,WHITE);
					if(pohnenumlen)
					{
						POINT_COLOR=BLUE;
						Show_Str(40+56,70,200,16,callbuf,16,0);
					}
					break;
				case 1:
					POINT_COLOR=RED;
					Show_Str(40,70,200,16,"拨号中:",16,0); 
					pohnenumlen=0;
				case 2:
					POINT_COLOR=RED;
					if(cmode==2)Show_Str(40,70,200,16,"通话中:",16,0); 
					kbd_fn_tbl[0]="挂断";
					kbd_fn_tbl[1]="返回"; 	
					break;
				case 3:
					POINT_COLOR=RED;
					Show_Str(40,70,200,16,"有来电:",16,0); 
					POINT_COLOR=BLUE;
					Show_Str(40+56,70,200,16,p1,16,0); 
					kbd_fn_tbl[0]="挂断";
					kbd_fn_tbl[1]="接听"; 
					break;				
			}
			if(cmode==2)Show_Str(40,90,200,16,"DTMF音:",16,0);	//通话中,可以通过键盘输入DTMF音
			else LCD_Fill(40,90,120,90+16,WHITE);
			sim800c_load_keyboard(0,180,(u8**)kbd_tbl1);		//显示键盘 
			oldmode=cmode; 
		}
		if((lenx%50)==0)
		{
			LED0=!LED0; 	    				 
		  u2_printf("ATrn");//必须加上这句,不然接收不到来电显示
		}
		lenx++;	 
	} 
	myfree(p1);
	return 0;
}

相关推荐