• 方案介绍
  • 附件下载
  • 相关推荐
申请入驻 产业图谱

【代码库】MCX N PLU 设置和使用

09/18 10:56
546
加入交流群
扫码加入
获取工程师必备礼包
参与热点资讯讨论

an-mcxn-plu-setupandusage-main.zip

共1个文件

MCX N PLU 设置和使用

主板: FRDM-MCXN947
?类别:?低功耗
工具链: MCUXpresso IDE
SDK 2.14.0
外设: PLU

目录

  1. 介绍
  2. 功能描述
  3. 模块架构
    1. 查找表 (LUT)
    2. 多路复用器
    3. 人字拖
  4. PLU设置
  5. 创建逻辑网络
    1. 基本逻辑门
    2. 组合逻辑示例
      1. 设置
      2. 调整
    3. 唤醒中断示例
    4. 顺序逻辑示例
  6. ConfigTools 支持
    1. 设置
    2. 使用“原理图 - 逻辑门”模式
    3. 使用“原理图-直接查找表”模式
    4. 使用“Verilog 文件和 Verilog 文本”模式
  7. 结论

介绍

MCX N 具有可编程逻辑单元 (PLU),能够创建独立于内核运行的组合逻辑电路时序逻辑电路。PLU 通过预编程查找表或 LUT 来实现这一点,这些查找表或 LUT 决定了 PLU 所有输入的指定输出行为。MCX N PLU 模块的功能包括:

  • 由 26 个可互连的 5 输入查找表 (LUT) 元素组成的阵列。
  • 4双人字拖。
  • 六个主要输入引脚
  • 八个主要输出引脚。
  • 如果实现了顺序网络,则需要外部时钟来驱动四个触发器
  • 能够从睡眠和深度睡眠模式生成中断和唤醒请求。

功能描述

本应用笔记将首先解释 PLU 模块的组成元件,以及如何集成它们以实现简单的逻辑网络。最后,本应用笔记将通过三个示例代码演示该模块的设置和使用:一个 1 位 1 至 4 解复用器、一个 4 位移位器以及一个低功耗的 1 至 4 解复用器实现,以演示其唤醒功能。

模块架构

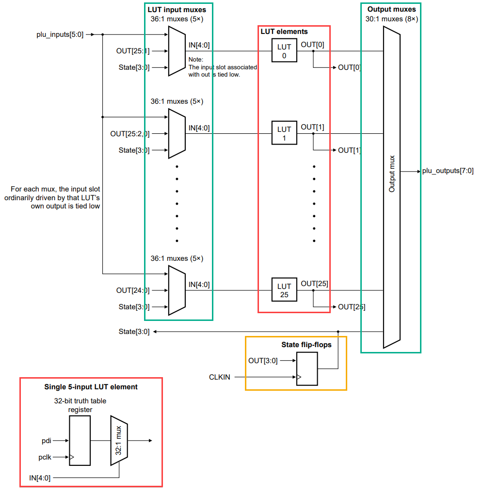
PLU 由三个主要元素组成:查找表 (LUT)、多路复用器和触发器。查找表用于创建 PLU 网络的实际逻辑,而多路复用器则负责将这些逻辑信号路由到其他 LUT 以及 PLU 的输入和输出引脚。触发器提供了一种将逻辑信号从 LUT 元素门控到共享时钟输入的方法,从而为逻辑网络添加了同步和延迟机制。

查找表 (LUT)

PLU 模块拥有 26 个可互连的查找表 (LUT),可同时实现最多 5 个输入的任意组合功能。LUT 的工作原理是为每种输入组合存储一个预编程的输出。这使得查找表能够在输入发生变化时立即生成特定的逻辑 0 或 1 输出,无需任何处理。通过将 LUT 元素互连,可以实现更复杂的可编程网络,同时提供多个逻辑门的功能。

多路复用器

PLU模块包含各种多路复用器,用于选择每个查找表(LUT)元素的输入和输出。每个LUT元素有5个输入多路复用器,将信号路由到其5个输入中的每一个。每个LUT的可用输入信号包括:

  • PLU 输入板。
  • 其他 LUT 元素输出。
  • 状态触发器输出。

PLU 还为每个 PLU 输出垫(总共八个)配备了一个输出多路复用器,用于选择哪个查找表或触发器状态将驱动每个输出垫。

人字拖

最后的 PLU 元素是 D 型触发器,可以保留数据,为顺序逻辑电路和简单状态机提供手段。

PLU模块有4个触发器,它们连接到LUT[3:0]的输出以及用于触发器之间定时和同步的外部PLUCLKIN信号。为了使用触发器元件,必须通过PLUCLKIN引脚提供时钟信号。注意,由于触发器直接连接到前4个LUT元素的输出,因此必须设置相应的LUT元素才能使用每个触发器元素。

PLU设置

为了在PLU模块上实现逻辑网络,必须完成以下步骤:

  1. 使用 SYSCONSYSAHBCLKCTRLx 寄存器启用 PLU 的时钟,然后从 SYSCONPRESETCTRLx 寄存器切换 PLU 复位位。
  2. 使用 PORTx_PCRn 寄存器分配引脚。
  3. 使用以下步骤 创建逻辑网络:
    1. 将要使用的每个 LUT 元素的逻辑行为写入真值表寄存器中。
    2. 对输入多路复用器寄存器进行编程,以选择每个 LUT 的最多五个输入源。
    3. 对输出多路复用器寄存器进行编程,以从 PLU 模块中选择最多八个主要输出。
  4. (可选) 通过使用 WAKEINT_CTRL 寄存器选择用作唤醒源的输出以及设置去毛刺方法来设置唤醒行为。

创建逻辑网络

基本逻辑门

只需在单个 LUT 元素上配置两个输入和一个输出,即可实现所有基本逻辑门。例如,将 PLUIN0 和 PLUIN1 引脚配置为 LUT0 的输入,将 PLU_OUT0 引脚配置为 LUT0 的输出即可实现。

创建任何逻辑网络的第一步都是了解所需逻辑电路的真值表。对于使用上述配置的单个与门,真值表应等于以下内容:

| # | | PLUIN1 | PLUIN0 | PLU_OUT0 |
| ------- | -- | :-------: | :-------: | :-----------: |
| 0 | | 0 | 0 | 0 |
| 1 | | 0 | 1 | 0 |
| 2 | | 1 | 0 | 0 |
| 3 | | 1 | 1 | 1 |

查找表 (LUT) 必须设置为仅当 PLUIN1 和 PLUIN0 同时为高电平时输出才为高电平,这恰好是上一个真值表中查找表输入的第三种组合。因此,我们需要对查找表进行编程,使其在组合 #3 时输出高电平。我们可以通过在查找表真值表寄存器的第 3 位写入“1”来编程该逻辑门。这样,当 LUT0 的两个输入都为高电平时,查找表元素将“查找并找到”一个“1”,因此输出高电平。另一方面,对于其他所有组合,它将找到一个“0”,并输出低电平。

| 组合编号(输入) | 真值表寄存器(输出) |
| :-----------------------------: | :-------------------------: |
| ?0 *?(0b00)* | *0 |
| ?1 *?(0b01) | *0 |
| ?2 *?(0b10) | *0 |
| ?3 *?(0b11) | **1 |

考虑到这一点,很容易看出,LUT 元素所做的就是在预定义表中“查找”每个输入组合,以确定输出逻辑。该表通过每个 LUT 元素的 32 位 LUTa_TRUTH 寄存器进行编程。因此,上一个逻辑门所需的 32 位值(以十六进制表示)如下:

| 与门 | | | | | | |
| ---------------------- | :-----------: | :-----------: | :-----------: | :-----------: | :--: | :--------------: |
| LUT输入[1:0] | 11 | 10 | 01 | 00 | | |
| LUT0_TRUTH | 1 | 0 | 0 | 0 | → | 0x08 |

对于其余的基本逻辑门:

| 或门 | | | | | | |
| ---------------------- | :-----------: | :-----------: | :-----------: | :-----------: | :--: | :--------------: |
| LUT输入[1:0] | 11 | 10 | 01 | 00 | | |
| LUT0_TRUTH | 1 | 1 | 1 | 0 | → | 0x0E |

| 异或门 | | | | | | |
| ---------------------- | :-----------: | :-----------: | :-----------: | :-----------: | :--: | :--------------: |
| LUT输入[1:0] | 11 | 10 | 01 | 00 | | |
| LUT0_TRUTH | 0 | 1 | 1 | 0 | → | 0x06 |

| 与非门 | | | | | | |
| ---------------------- | :-----------: | :-----------: | :-----------: | :-----------: | :--: | :--------------: |
| LUT输入[1:0] | 11 | 10 | 01 | 00 | | |
| LUT0_TRUTH | 0 | 1 | 1 | 1 | → | 0x07 |

| 或非门 | | | | | | |
| ---------------------- | :-----------: | :-----------: | :-----------: | :-----------: | :--: | :--------------: |
| LUT输入[1:0] | 11 | 10 | 01 | 00 | | |
| LUT0_TRUTH | 0 | 0 | 0 | 1 | → | 0x01 |

| 同或门 | | | | | | |
| ---------------------- | :-----------: | :-----------: | :-----------: | :-----------: | :--: | :--------------: |
| LUT输入[1:0] | 11 | 10 | 01 | 00 | | |
| LUT0_TRUTH | 1 | 0 | 0 | 1 | → | 0x09 |

| 非门 | | | | |
| ---------------------- | :-----------: | :-----------: | :--: | :--------------: |
| LUT输入[1:0] | 1 | 0 | | |
| LUT0_TRUTH | 0 | 1 | → | 0x01 |

| 缓冲门 | | | | |
| ---------------------- | :-----------: | :-----------: | :--: | :--------------: |
| LUT输入[1:0] | 1 | 0 | | |
| LUT0_TRUTH | 1 | 0 | → | 0x02 |

请注意,在这种情况下,或非门和非门的真值表值相同,因为它们都要求第一个输入组合的输出为“1”,其余输入组合的输出为“0”。这表明 PLU 实际上并没有创建一个逻辑门阵列,而是简单地从包含所有可能输入组合的表中输出预先定义的值。

前面的表格显示了使用先前设置的 LUT0 实现所有基本逻辑门所需的寄存器值。但是,为了使用输入引脚 PLUIN0 和 PLUIN1 以及输出引脚 PLU_OUT0 实现此配置,必须按以下方式设置多路复用器:

为了实现此目的,引脚 PLUIN0 必须路由为 LUT0 的输入[0],PLUIN1 必须??路由为 LUT0 的输入[1]。此外,LUT0 的输出将路由至 PLU_OUT0 引脚。此配置用于设置两个输入源、路由输出源并写入真值表寄存器以产生与门,可以使用以下代码实现:

```c
/* Select input pin PLUIN0 as LUT Input 0 (Input MUX0) for LUT0 on module PLU0 */
PLU
SetLutInputSource(PLU0, kPLULUT0, kPLULUTIN0, kPLULUTINSRCPLUIN_0);

/* Select input pin PLUIN1 as LUT Input 1 (Input MUX1) for LUT0 on module PLU0 */
PLU
SetLutInputSource(PLU0, kPLULUT0, kPLULUTIN1, kPLULUTINSRCPLUIN_1);

/* Set Truth Table 0x08 for LUT element 0 on module PLU0 */
PLUSetLutTruthTable(PLU0, kPLULUT_0, 0x08); // This will result in an AND gate

/* Select LUT0 output as driver for PLUOUT0 pin on module PLU0 */
PLU
SetOutputSource(PLU0, kPLUOUTPUT0, kPLUOUTSRCLUT0);
```

组合逻辑示例

设置

组合逻辑电路的一个简单但实??用的例子是解复用器。该电路将单个输入数据一次性输出到多个可选输出之一。该电路的一个具体示例的真值表如下表所示:

| 梳子 # | | D | S1 | S0 | | Y3 | Y2 | Y1 | Y0 |
| :-------: | :-: | :-: | :--: | :--: | :-: | :--: | :--: | :--: | :--: |
| 0 → 3 | | 0 | x | x | | 0 | 0 | 0 | 0 |
| 4 | | 1 | 0 | 0 | | 0 | 0 | 0 | 1 |
| 5 | | 1 | 0 | 1 | | 0 | 0 | 1 | 0 |
| 6 | | 1 | 1 | 0 | | 0 | 1 | 0 | 0 |
| 7 | | 1 | 1 | 1 | | 1 | 0 | 0 | 0 |

请注意,当 D =“0”时,S1 和 S2 被标记为“不关心”,这意味着前 4 个组合数字(从 0 到 3)都导致所有 LOW 输出的相同输出。

定义真值表后,可以按如下方式分配引脚:

  • PLU_IN2对应数据线(D)。
  • PLU_IN1 对应选择线 1 (S1)。
  • PLU_IN0 对应选择线 0 (S0)。

该真值表有4个输出,这也意味着PLU需要4个LUT,因为每个LUT只能生成一个输出。因此,每个LUT寄存器的真值表值定义如下(括号之间的值对应于数据线上的逻辑值):

| | | PLU输入[2:0] | (1)11 | (1)10 | (1)01 | (1)00 | (0)11 | (0)10 | (0)01 | (0)00 | | |
| :----------: | :--: | :-------------: | :---------------: | :---------------: | :---------------: | :---------------: | :-------------: | :-------------: | :-------------: | :-------------: | :--: | :--------------: |
| LUT0
TRUTH | → | PLUOUT0 | 0 | 0 | 0 | (1) | 0 | 0 | 0 | (0) | → | 0x10 |
| LUT1
TRUTH | → | PLU输出1 | 0 | 0 | (1) | 0 | 0 | 0 | (0) | 0 | → | 0x20 |
| LUT2
TRUTH | → | PLU输出2 | 0 | (1) | 0 | 0 | 0 | (0) | 0 | 0 | → | 0x40 |
| LUT3
TRUTH | → | PLU_输出3 | (1) | 0 | 0 | 0 | (0) | 0 | 0 | 0 | → | 0x80 |

请注意,由于 PLU_IN2 或“数据”在前 4 个组合(即 000、001、010 和 011)中保持为 FALSE,因此所有输出均为逻辑“0”。这对应于真值表中选择线为“无关”的前 4 个组合,如前所述。

组合电路的设置,包括每个 PLUOUTx 信号的 LUT 值,可以在所附的“frdmmcxn947plu4to1demux”示例代码中找到。

本示例基于FRDM-MCXN947开发板。输入输出接口如下:

  • 输入:
    • 选择 0 → P110 (PLUIN0)。(注意:如果使用 Rev. B,SJ16 需要更改为位置 2-3)
    • 选择 1 → P111 (PLUIN1)。(注意:如果使用 Rev. B,SJ26 需要更改为位置 2-3)
    • 数据→P114(PLUIN2)。
  • 输出:
    • Y0→P18(PLUOUT0)。
    • Y1→P19(PLUOUT1)。
    • Y2→P112(PLUOUT2)。
    • Y3→P113(PLUOUT3)。

当将输入连接到 VDD 或 GND 时,输出将根据之前的真值表发生变化,这可以在示波器逻辑分析仪上看到。下图显示了三个输入所有排列的输出结果。

如上图所示,PLUIN2(DATA) 的值每次仅被路由或解复用到一个输出。当数据为“1”时,该值将传输到由 PLUIN0 (SEL0) 和 PLU_IN1 (SEL1) 的值选定的输出;当数据为“0”时,所有输出结果均为“0”。

调整

但是,如果为了改变输入信号的路由而必须进行调整,该怎么办呢?例如,PLUIN0 现在应该作为数据线,而 PLUIN2 和 PLU_IN1 应该分别作为选择 1 和选择 0。有三种方法可以解决这个问题:

  1. 根据新的要求将外部输入信号重新连接到焊盘:
    • 数据→P110(PLUIN0)。
    • 选择 0 → P111 (PLUIN1)。
    • 选择 1 → P114 (PLUIN2)。
  2. 通过在设置 PLU_SetLutInputSource() 函数时选择以下输入源来更改所有 4 个 LUT 的输入多路复用器:
    • 将 LUTx 输入 IN0 (S0) 从 PLUIN0 更改为 PLUIN1。
    • 将 LUTx 输入 IN1 (S1) 从 PLUIN1 更改为 PLUIN2。
    • 将 LUTx 输入 IN2 (D) 从 PLUIN2 更改为 PLUIN0。
  3. 只需根据新要求调整 LUT 组合即可更改真值表寄存器的值(其中括号中的值对应于数据线上的新逻辑值):

| | | PLU输入[2:0] | 11(1) | 11(0) | 10(1) | 10(0) | 01(1) | 01(0) | 00(1) | 00(0) | | |
| :----------: | :--: | :-------------: | :---------------: | :-------------: | :---------------: | :-------------: | :---------------: | :-------------: | :---------------: | :-------------: | :--: | :--------------: |
| LUT0
TRUTH | → | PLUOUT0 | 0 | 0 | 0 | 0 | 0 | 0 | (1) | (0) | → | 0x02 |
| LUT1
TRUTH | → | PLU输出1 | 0 | 0 | 0 | 0 | (1) | (0) | 0 | 0 | → | 0x08 |
| LUT2
TRUTH | → | PLU输出2 | 0 | 0 | (1) | (0) | 0 | 0 | 0 | 0 | → | 0x20 |
| LUT3
TRUTH | → | PLU_输出3 | (1) | (0) | 0 | 0 | 0 | 0 | 0 | 0 | → | 0x80 |

通过此示例,我们很容易看出 PLU 模块通过 LUT 元素提供的灵活性。虽然可以通过重新路由(外部或使用多路复用器进行内部路由)输入来适应不同的输入要求,但只需更改 LUT 寄存器中的值,就可以重新排列整个逻辑网络。

可以通过将“frdmmcxn947plu4to1demux”示例代码上的“DEMOPLULUTxTRUTHTABLE”宏更改为上表中显示的值来测试前面的想法。

唤醒中断示例

PLU 还具有触发中断的功能,在某些情况下,还可以用于将 MCU 从低功耗模式唤醒。具体来说,它可以用来将 MCX 从睡眠和深度睡眠模式唤醒。

PLU 的中断功能基于其输出设置为“1”或逻辑“高”,并使用寄存器 WAKEINT_CTRL 进行配置。此寄存器的位 0 至 7 设置 8 个输出中每一个的掩码。此掩码决定其各自的输出是否会对中断请求做出贡献。例如,如果“MASK”= 0b10010011,则输出 7、4、1 和 0 将有助于中断,因为它们的位设置为“1”,而输出 6、5、3 和 2 将被阻止生成中断,因为它们各自的掩码位为“0”。请注意,由于 PLU 只有一个 ISR,因此所有输出都经过“或”运算。在前面的示例中,只要 4 个被屏蔽的输出中的任何一个生成“1”或“高”输出,就会触发中断。只要所有 4 个屏蔽输出都生成“0”或逻辑“低”,PLU 就不会中断。

然而,PLU 产生的输出信号容易出现故障,进而可能产生错误的中断或唤醒请求。PLU 有两种方法可以防止这些故障。

首先,它可以使用内部时钟来滤除毛刺。此滤波功能通过使用 WAKEINTCTRL 寄存器的位字段“FILTERMODE”[9:8] 来启用。这些位决定了用于滤除可能的输出毛刺脉冲的时间帧。它可以设置为所选时钟源的 1 个时钟周期到最多 3 个时钟周期,以用作滤波器。此时钟源由同一寄存器的位字段“FILTERCLKSEL”[11:10] 决定,它选择 1MHz 低功耗振荡器或 12MHz FRO 作为滤波器的参考时钟。举例来说,如果“FILTERMODE”= 11b 和“FILTER_CLKSEL”= 01b,则 PLU 将滤除短于 12MHz FRO 的 3 个时钟周期(或大约 0.25 μs)的脉冲。

防止误中断或唤醒事件的第二种机制是锁存中断。位域“LATCHENABLE”为中断请求设置此锁存机制,该机制使用已注册或已锁存的中断请求版本,而不是来自 PLU 输出的直接或滤波版本。此选项使用通过 PLUCLKIN 引脚提供给模块的外部时钟源,在 PLUCLKIN 信号的上升沿注册或锁存中断请求。一旦注册,中断即可触发,并且必须随后通过在 WAKEINTCTRL 寄存器的“INTRCLEAR”位上写入“1”来由软件清除。此选项为设置采样时间提供了更大的灵活性,因为它不受 1MHz 或 12MHz 时钟的限制,并且它阻止使用内部时钟以降低 MCX 的功耗。但是,它确实需要使用外部时钟信号和额外的 PLUCLKIN 引脚。

请注意,一次只能使用一种防止中断故障的方法。

附带中断功能的组合电路设置,包括用于将 MCU 从深度睡眠模式唤醒的 WAKEINTCTRL 寄存器的值,可在附件的“frdmmcxn947plu4to1demux_isr”示例代码中找到。该代码使用锁存方法进行去毛刺处理。

本示例基于FRDM-MCXN947开发板。输入输出接口如下:

  • 输入:
    • 选择 0 → P110 (PLUIN0)。(注意:如果使用 Rev. B,SJ16 需要更改为位置 2-3)
    • 选择 1 → P111 (PLUIN1)。(注意:如果使用 Rev. B,SJ26 需要更改为位置 2-3)
    • 数据→P114(PLUIN2)。
    • CLK→P16(PLUCLKIN)。
  • 输出:
    • Y0→P18(PLUOUT0)。
    • Y1→P19(PLUOUT1)。
    • Y2→P112(PLUOUT2)。
    • Y3→P113(PLUOUT3)。
    • 蓝色 LED → P3_3(睡眠信号)。

与前面的组合示例一样,当将输入连接到 VDD 或 GND 时,输出将根据配置的解复用器真值表进行更改。但是,现在 PLUOUT0 和 PLUOUT3 也会产生中断。在此示例代码中,按下 SW3 将导致 MCU 进入深度睡眠模式,而 PLU 中断将使电源模式循环回到活动模式。

蓝色 LED 用于直观地显示 MCU 的电源状态。当 MCU 处于活动模式时,LED 亮起;当 MCU 处于深度睡眠模式时,LED 熄灭。

以下是该代码的预期行为的捕获:

如图所示,按下 SW3 按钮将使 MCU 进入深度睡眠模式,以绿线表示。该信号实际上是 P33 的输出,P33 是连接到蓝色 LED 的焊盘。当为低电平时,蓝色 LED 亮起,表示 MCU 处于活动模式。当为高电平时,蓝色 LED 熄灭,表示 MCU 处于深度睡眠模式。但是,只要设置了 PLUOUT2,就不会有导致中断的 PLU 输出,因为只有 PLUOUT0 和 PLUOUT3 设置为导致中断。因此,MCU 将保持深度睡眠模式,直到设置 PLUOUT0 或 PLU_OUT3。一旦这些输出中的任何一个设置为“1”或“高”,就会发生中断并再次将 MCU 循环到活动模式。

在此示例中,导致中断的输出设置为 PLUOUT0 和 PLUOUT3,但可以通过调整“plu4to1demux_isr.c”中的以下定义轻松更改:

```c

define ENAINTPLUOUT0 1 /* Enable PLUOUT0 interruption */

define ENAINTPLUOUT1 0 /* Block PLUOUT1 interruption */

define ENAINTPLUOUT2 0 /* Block PLUOUT2 interruption */

define ENAINTPLUOUT3 1 /* Enable PLUOUT3 interruption */

```

为了确保 MCU 确实通过按钮和 PLU ISR 在活动模式和深度睡眠模式之间循环,我们利用FRDM-MCXN947上的 MCU-Link Pro 功率测量功能进行了电流消耗测量。为此,将跳线 J24(也标记为 IDD_MCU)和电路板上的 GND 信号连接到 MCU-Link Pro 的 J9,如下所示:

测量结果如下:

在按下 SW3 按钮之前,MCX 显示电流消耗约为 9.32mA。按下 SW3 按钮后,电流消耗降至 7.96mA,表明 MCX 进入了深度睡眠模式。最终,当 PLU 输出发生变化并触发 PLU 中断后,电流消耗恢复到 9.32mA,因此该中断将电源模式切换回活动模式。

值得一提的是,本次测试启用了蓝色LED,以便直观地确认不同电源模式之间的转换。您可以通过在“plu4to1demux_isr.c”文件中将以下宏设置为“0”来禁用此LED:

```c
/* Enable or disable LED usage for corroborating Sleep behavior or adjusting current measurements */

define APPENABLELED 1

```

顺序逻辑示例

时序逻辑电路的一个简单示例是移位寄存器。该电路使用级联的触发器,每个触发器的输出连接到下一个触发器的输入。这样,输入信号将在每个时钟周期内从一个触发器传输到下一个触发器。如果没有时钟信号,每个触发器元件上的数据将保持其状态。考虑到该电路具有与时间和输入相关的输出(而不是像组合逻辑电路那样仅具有与输入相关的输出),它可以表示为一个根据输入在状态之间转换的状态机。

小端4位移位寄存器的状态图如下:

每个状态都用椭圆表示,4 个触发器的输出就是每个状态的值。每次转换时,都会根据每个时钟周期的输入,向 LSB 添加“1”(蓝色转换)或“0”(红色转换)。如果没有时钟周期,则不会发生转换,状态将保持不变。

如前所述,在“触发器”一章中,为了在PLU上创建顺序逻辑电路,需要使用状态触发器和PLU_CLKIN输入信号。考虑到四个触发器的输入连接到前四个LUT元素,如下图所示,为了使用触发器,还必须设置这四个LUT元素。因此,为了实现移位电路,4状态触发器需要按如下方式连接:

由于每个状态触发器都连接到相应的查找表 (LUT) 元素,因此必须使用每个查找表元素来连接触发器的输入。因此,使用每个查找表元素的输入多路复用器,可以将 PLU_IN0 连接到触发器 0,并将每个触发器的输出连接到每个后续状态触发器的输入。连接完成后,所有查找表元素都可以设置为一个简单的缓冲门,其输出将与输入相同。这可以通过将“0x2”写入查找表的真值表寄存器来实现。然而,很容易看出,通过使用这种查找表和触发器元素的组合,通过将更复杂的组合电路连接到每个时序电路,可以实现更复杂的状态机。

该顺序电路的设置,包括每个状态触发器元素的 LUT 缓冲区的这些值,可以在所附的“frdmmcxn947plu4bit_shifter”示例代码中找到。

本示例基于FRDM-MCXN947开发板。输入和输出引脚如下:

  • 输入:
    • P34(GPIO)→P17(PLU_CLKIN)。
    • VDD 或 GND → P110(PLUIN0)。(注意:如果使用 Rev. B,SJ16 需要更换至位置 2-3)
  • 输出:
    • P18(PLUOUT0)。
    • P19(PLUOUT1)。
    • P112(PLUOUT2)。
    • P113(PLUOUT3)。

P34 每秒切换一次,产生 1Hz 时钟信号,并作为触发器的 PLUCLK。在时钟信号的每个上升沿,PLUIN0 上的值将通过每个触发器传播到前四个 PLUOUT 引脚。下图显示了单个高电平脉冲通过所有输出的传播过程,从而导致以下转换(0000 → 0001 → 0010 → 0100 → 1000 → 0000):

如果时钟信号停止产生上升沿,触发器将不会更新其值。相反,当前值将被存储,直到时钟信号的下一个上升沿,如下图所示:

在这种情况下,转换过程为 0000 → 0001 → 0011 → 0110 → 1100 → 1000 → 0000,因为输入保持高电平持续了两个时钟周期。然而,从 0011 → 0110 的转换暂停,直到下一个时钟周期的上升沿。在暂停期间,值“0011”在触发器中存储了大约 10 秒,然后才恢复移位过程。

ConfigTools 支持

设置

PLU 与 ConfigTools 完全集成,允许使用基于数字原理图的界面,甚至 Verilog 文件,以更友好的方式设置 PLU 的元件。要使用此功能,首先在 Config Tools 概览窗口中打开相应的拨动开关以启用“外设”工具,然后点击“外设”图标打开该工具:

然后,在左侧的外围设备面板上,搜索“plu”并通过单击复选框来启用它:

PLU外围设备配置现在可以使用了。默认情况下,常规配置将包括上述所有元素的配置:

从上到下依次显示:

  1. 配置模式,允许使用不同的方法配置 PLU 的元素。
  2. 资源,允许配置输入、输出和 LUT(使用“显示所有资源设置(高级)”选项时可以在此处配置 LUT)。
  3. 触发器外部时钟配置。
  4. 中断配置,包括锁存器和毛刺滤波器。

本文档已解释了 PLU 的元素,包括输入、输出、LUT、触发器和 Interrut,因此本章的其余部分将重点介绍 ConfigTools 上 PLU 的配置模式。

使用“原理图 - 逻辑门”模式

默认配置模式为“原理图 - 逻辑门”,这是设置 PLU 的最简单方法,因为它允许使用一组预定义的逻辑门对模块进行原理图配置。

单击“打开原理图视图”按钮,将出现一个空白画布,其中有每个基本逻辑门的按钮:

此画布允许基于基本逻辑门轻松创建数字电路原理图。此模式可以更轻松地重现本文档“5.1 基本逻辑门”部分中所示的所有基本逻辑门,并且现在具有直观的拖放原理图界面。我们只需添加两个输入、一个输出和一个逻辑门,然后点击每个输入的端子即可进行相应的连接:

与门:

或门:

异或门:

与非门:

或非门:

NXOR门:

非门:

缓冲门:

多路复用器。(虽然从技术上讲它不是基本的逻辑门,但此模式也具有多路复用器的预设):

连接所有输入、输出和门后,只需单击“优化和应用”按钮,该工具就会自动将绘制的原理图转换为 PLU 要使用的寄存器定义。

然后将电路转换为适当的 MUX 和 LUT 值,并在“寄存器”窗口中进行确认,该窗口将以黄色突出显示新的更改。对于之前的与门电路,结果如下:

注意:“优化并应用”功能还会自动保存并锁定当前原理图。如果之后需要进一步修改,第一步需要使用“解锁按钮”解锁原理图。

另外,点击顶部菜单栏的时序信息按钮,所有与 PLU 相关的信号的时序都会显示出来,供用户参考。这些是与门的时序:

使用“原理图-直接查找表”模式

“原理图 - 直接查找表”模式与前一种模式类似,因为它也基于逻辑网络的原理图。然而,它不像前一种模式那样提供预定义的逻辑门,而是显示了“3. 模块架构”部分中描述的实际 PLU 元素,即:输入、输出、查找表和触发器。由于可以在原理图布局本身上手动设置自定义查找表,因此配置模式更直接地对应于 PLU 的实际配置,因此可用于创建更复杂或自定义的逻辑元素。例如,此模式可用于创建本文“5.2 组合逻辑示例”部分中详细阐述的 1 至 4 解复用器。结果如下:

在此模式下,LUT 表的连接以大写字母标记,其中连接 A 对应输入 0,连接 B 对应输入 1,连接 C 对应输入 2,依此类推。每个元素的实际表格都会显示该 LUT 元素所有可能的组合。然后,用户可以通过对表格的输出列进行计时,将每个组合的输出设置为“1”或“0”。对于解复用器的情况,真值表的设置如下(输入 A 为 SEL0,输入 B 为 SEL1,输入 C 为 DATA):

LUT0真值表:

LUT1真值表:

LUT2真值表:

LUT3真值表:

还值得注意的是,设置自定义查找表并不是设置每个 LUT 元素的唯一方法。通过使用画布右侧的“类型”下拉菜单,用户可以在自定义 LUT、一组预定义的基本逻辑门、一个逻辑表达式和一个逻辑的 CSV 文件描述之间进行选择。“自定义”类型是默认方法,允许通过在“1”或“0”之间切换来单独修改每个输出。预定义的逻辑门与“原理图 - 逻辑门”模式下的逻辑门类似,但其优势在于能够将每个逻辑门的输入数量增加最多 5 个。对于 MUX,有 3 个输入;对于缓冲区和非门,只有 1 个输入:

当选择“逻辑表达式”类型时,将出现一个对话框,用户可以以文本的方式输入所需的逻辑描述,例如:

对于这种情况,最终的 LUT 分配如下:

最后,最后一种 LUT 设置方法是使用“导入 CSV”方法,该方法允许使用逗号分隔值文件配置 LUT。此文件需要特定的格式,如下所示:

请注意,必须在文件开头定义输入数量,然后再描述真值表的其余部分。另外值得注意的是,此文件中输入的顺序是 LSB 优先,而在 IDE 中则是 MSB 优先。ConfigTools 中生成的查找表如下所示:

还值得注意的是,并非所有输出都必须明确写下来,只有导致“1”输出的输出才需要写出来。换句话说,上表也可以简化为以下 csv 文件:

| | | | |
| --- | --- | --- | --- |
| 0 | | | |
| 3 | | | |
| 0 | 0 | 1 | 1 |

使用“Verilog 文件和 Verilog 文本”模式

最后两种模式允许使用 Verilog 语法生成逻辑网络。这两种模式彼此非常相似,唯一的区别在于 Verilog 代码是作为文件导入还是手动输入到 ConfigTools。参照前面 1 至 4 解复用器的示例,可以使用以下 Verilog 代码实现相同的逻辑网络:

单击“应用 Verilog 配置”按钮后,将出现一个提示,要求您为每个使用的输入和输出选择路由选项:

一旦映射,ConfigTools 就会将 Verilog 代码转换为 PLU 模块所需的寄存器定义,以实现相同的行为。

结论

MCX N 的 PLU 模块内部组件复杂度适中,仅由一系列查找表、多路复用器和触发器组成。尽管如此,这些基本元件可以实现更复杂、更强大的逻辑网络,为许多重要的数字电路提供片上解决方案,并避免这些数字应用需要外部组件。不仅如此,其中断和唤醒功能也使 PLU 成为许多低功耗应用的简单而有效的补充。PLU 的灵活性和内置功能使其成为 MCX N 系列 MCU 的一个非常有效的补充,不容忽视。

来源:恩智浦appcodehub

  • an-mcxn-plu-setupandusage-main.zip
    下载
恩智浦

恩智浦

恩智浦半导体创立于2006年,其前身为荷兰飞利浦公司于1953年成立的半导体事业部,总部位于荷兰埃因霍温。恩智浦2010年在美国纳斯达克上市。恩智浦2010年在美国纳斯达克上市。恩智浦半导体致力于打造全球化解决方案,实现智慧生活,安全连结。

恩智浦半导体创立于2006年,其前身为荷兰飞利浦公司于1953年成立的半导体事业部,总部位于荷兰埃因霍温。恩智浦2010年在美国纳斯达克上市。恩智浦2010年在美国纳斯达克上市。恩智浦半导体致力于打造全球化解决方案,实现智慧生活,安全连结。收起

查看更多

相关推荐