• 方案介绍
  • 附件下载
  • 相关推荐
申请入驻 产业图谱

双通道数据采集系统设计Verilog代码VIVADO仿真

08/18 14:10
437
加入交流群
扫码加入
获取工程师必备礼包
参与热点资讯讨论

2-240Z21T436194.doc

共1个文件

名称:双通道数据采集系统设计Verilog代码VIVADO仿真

软件:VIVADO

语言:Verilog

代码功能:

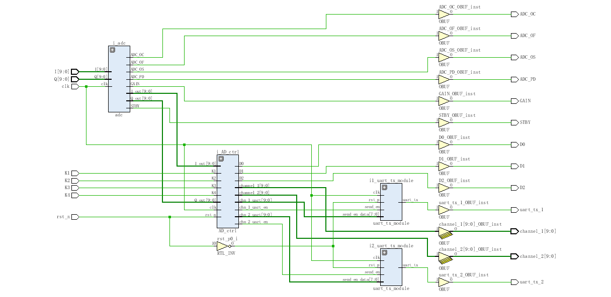
采用FPGA为控制核心,基于EDK-SDUST-EEC-EDA实验系统平台或其他硬件平台,设计一套ADC双通道数据采集系统,实现模拟量的采集、传输与显示,系统需具备阈值触发和按键触发、系统状态显示等功能。系统组成包括但不局限于:主控电路电源电路、存储电路、显示电路、LED灯指示电路、保护电路等。

一、系统功能需达到下列要求:

1.通过按键可以控制数据采集系统的启动、停止以及数据发送,例如:按下K1键,启动1通道采集;按下K2键,启动2通道采集;按下K3键,通道1和通道2同步采集;按下K4键,采集数据通过串口发送到上位机(注意区别2个通道的数据);按下Reset键,系统复位;其余功能可以自行设置定义。

2.数据采集系统状态显示,通过LED灯显示采集系统的当前状态,例如D0亮表示单通道采集状态;D0、D1亮表示双通道采集状态;D0、D1灭、D2亮表示数据发送状态,数据传输完毕D2灯灭;其余功能可以自行设置定义。

3.设置阈值触发功能,模拟量超过一定的阈值(0.2V左右),数据采集系统开始采集,达到设置的采样时间(1s)后结束采样;

4.模拟量显示功能,通过串口调试助手、示波器或者借助其余软件(Matlab)显示采集的真实物理量/曲线;

FPGA代码Verilog/VHDL代码资源下载:www.hdlcode.com

演示视频:

设计文档:

1. 工程文件

2. 程序文件

3. 程序编译

4. RTL图

5. Testbench

6. 仿真图

整体仿真图

Adc模块

AD按键控制模块

串口发送模块

部分代码展示:

//AD控制模块
module?AD_ctrl(
input?clk,//时钟
input?rst_n,//复位
input?[9:0]?I_out,//通道1数据
input?[9:0]?Q_out,//通道2数据
input?K1,//启动1通道采集
input?K2,//启动2通道采集
input?K3,//通道1和通道2同步采集
input?K4,//采集数据通过串口发送到上位机
output?reg?D0,//LED灯,D0亮单通道采集状态
output?reg?D1,//LED灯,D0、D1亮表示双通道采集状态
output?reg?D2,//LED灯,D2亮表示数据发送状态
output?reg?[9:0]?channel_1,//通道1数据
output?reg?[9:0]?channel_2,//通道2数据
output?reg?chn_1_uart_en,//串口1发送使能
output?reg?[9:0]?chn_1_uart,//串口1发送数据
output?reg?chn_2_uart_en,//串口2发送使能
output?reg?[9:0]?chn_2_uart?//串口2发送数据
);
//AD串口电压为1.4V
//根据公式:1.4v/4096=0.2V/x
//x=585
reg?[31:0]?time_cnt=32'd0;
reg?[2:0]?mode=3'd7;
//模式控制
always@(posedge?clk?or?negedge?rst_n)
if(!rst_n)
mode<=2'd7;//复位,7为无效模式
else
if(K1==0)//按键触发,启动1通道采集
mode<=2'd0;//1通道采集
else?if(K2==0)//按键触发,启动2通道采集
mode<=2'd1;//2通道采集
else?if(K3==0)//按键触发,通道1和通道2同步采集
mode<=2'd2;//通道1和通道2同步采集
else?if(K4==0)//按键触发,采集数据通过串口发送到上位机
mode<=2'd3;
else?if(I_out>10'd585?||?Q_out>10'd585)//预置触发,判断大于0.2.自动采集1秒
mode<=2'd4;
else?if(time_cnt>=32'd1000)//计时1秒--仿真将100_000_000改小为1000
mode<=2'd7;//回到无效状态
//1秒计时
always@(posedge?clk?or?negedge?rst_n)
if(!rst_n)
time_cnt<=32'd0;
else
if(mode==2'd4)
time_cnt<=time_cnt+1;//计时
else
time_cnt<=32'd0;

点击链接获取代码文件:http://www.hdlcode.com/index.php?m=home&c=View&a=index&aid=1010

  • 2-240Z21T436194.doc
    下载

相关推荐