• 方案介绍
  • 附件下载
  • 相关推荐
申请入驻 产业图谱

三线八线译码器设计Verilog代码modelsim仿真

09/03 08:07
438
加入交流群
扫码加入
获取工程师必备礼包
参与热点资讯讨论

2-240925120934T9.doc

共1个文件

名称:三线八线译码器设计Verilog代码modelsim仿真

软件:modelsim

语言:Verilog

代码功能:

三线八线译码器设计

三线八线译码器的三线是指三位二进制数字,其会组成000到111共八个不同的数字,因此一共会有 8 种输出,所以称为38译码器。8种输出使用8个输出端口表示,当对应端口输出低电平时,表示该端口有效。

对于FPGA主控板来说,通过3个拨码开关作为输入,将8个LED作为输出,当LED为低电平时,LED点亮。通过控制3个拨码开关可以使8个LED中的任意一个点亮。

FPGA代码Verilog/VHDL代码资源下载:www.hdlcode.com

演示视频:

设计文档:

一、设计需求

译码器在数字电路中有着大量的运用,本设计使用Verilog语言设计数字电路中常用的38译码器。

二、任务分析

三线八线译码器的三线是指三位二进制数字,其会组成000到111共八个不同的数字,因此一共会有?8?种输出,所以称为38译码器。8种输出使用8个输出端口表示,当对应端口输出低电平时,表示该端口有效。

对于FPGA主控板来说,通过3个拨码开关作为输入,将8个LED作为输出,当LED为低电平时,LED点亮。通过控制3个拨码开关可以使8个LED中的任意一个点亮。

三、功能描述

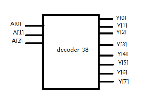
38译码器主要是用3位2进制数来控制输出低电平,输入的3位2进制数使用输入端口A[2:0]表示,即A[2],A[1],A[0]。输出端口使用Y[7:0]表示,即Y[0]~Y[7]。对输入端编码,从而在输出端得到对应端口得到低电平,即达到译码的目的。

将输入A连接到FPGA板子的3个拨码开关上作为输入,将Y[7:0]连接到8个LED作为输出,通过控制3个拨码开关可以使8个LED中的任意一个点亮。

四、总体功能框图

五、电路功能表

输入端

输出端

A[2]

A[1]

A[0]

Y[7]

Y[6]

Y[5]

Y[4]

Y[3]

Y[2]

Y[1]

Y[0]

0

0

0

1

1

1

1

1

1

1

0

0

0

1

1

1

1

1

1

1

0

1

0

1

0

1

1

1

1

1

0

1

1

0

1

1

1

1

1

1

0

1

1

1

1

0

0

1

1

1

0

1

1

1

1

1

0

1

1

1

0

1

1

1

1

1

1

1

0

1

0

1

1

1

1

1

1

1

1

1

0

1

1

1

1

1

1

1

六、Verilog?HDL建模

打开modelsim软件,新建工程文件。

点击creat?new新建verilog文件

编写代码如下

一、建立test激励文件

按下图再次新建一个testbench文件,命名为decoder_38_tb

编写代码如下:

二、仿真过程及波形

将代码和testbench进行编译如下:

提示编译成功

进行仿真

部分代码展示:

module?decoder_38(
input?[2:0]?A,//
output?reg?[7:0]?Y//
);
always@(A)
case(A)
3'b000:Y=8'b11111110;//Y0
3'b001:Y=8'b11111101;//Y1
3'b010:Y=8'b11111011;//Y2
3'b011:Y=8'b11110111;//Y3
3'b100:Y=8'b11101111;//Y4
3'b101:Y=8'b11011111;//Y5
3'b110:Y=8'b10111111;//Y6
3'b111:Y=8'b01111111;//Y7
endcase
endmodule

点击链接获取代码文件:http://www.hdlcode.com/index.php?m=home&c=View&a=index&aid=1129

  • 2-240925120934T9.doc
    下载

相关推荐